主要用途及适用范围
液控单向阀主要是用于闭锁立柱(或千斤顶)工作腔的液体,使之保持压力。当立柱(或千斤项)另一腔进液时,将同时给该阀的控制腔供液,将单向阀打开,使立柱(或千万顶)工作腔的液体回液,以完成立柱(或千斤顶)的升柱和降柱动作。在系统中,每一根立柱的升降由一组液控单向阀控制。
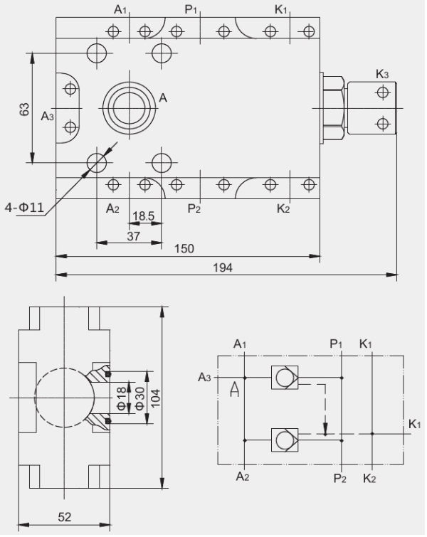
FDY1000/50型液控单向阀是我公司专门为7米以上大采高、高工作阻力液压支架设计开发的大流量立柱液控单向阀。采用两级卸载方式、液压冲击小,同时该产品具有快速回液功能,可有效加快降柱速度以满足高产、高效快速移架的要求。当大流量立柱工作时,该液控单向阀能使液压支架保持稳定的工作阻力,有效地支撑采煤工作面的顶板,从而保证采煤工作面人、机的安全。该液控单向阀采用先导开启硬密封结构设计,使用寿命长,通径大,进、回液阻力损失小,适用对大缸径立柱的控制。
技术特征
⑥公称流量:400L/min
⑥公称压力:50MPa
结构特点
插装式阀芯组件,先导开启软密封结构设计,密封性能好,使用寿命长,适用对大缸径立柱的控制。

